Las viviendas modernas cada vez tienen más segmentadas las funciones propias del cuarto de baño. Se instala bañera en los cuartos más espaciosos, mientras que la ducha queda relegada a los aseos. Pero eso la mayoría de las veces no es posible, no hay espacio. Twinline soluciona ese problema ya que supone un dos en uno: la ducha y la bañera están en la misma pieza sanitaria. En otras palabras, es bañera y ducha a la vez. El truco está en su puerta, que tiene un cierre hermético. De esa manera hace de contenedor cuando la queremos utilizar de bañera. En caso contrario se comportará como una ducha con mampara.

Esta «bañera y ducha a la vez» es un producto de la marca austríaca Artweger, y se presentó en tres longitudes: 160,170 y 180 cm. Sus dimensiones facilitan el ajuste a cualquier cuarto de baño. Además, su diseño es meticuloso y duradero, listo para servir a los más pequeños de la casa, y dar seguridad y comodidad a los mayores. El sellado continuo de la puerta, está hecho de un material duradero y inflexible. Eso permite un cierre hermético, similar al de una lavadora, haciendo que la bañera sea completamente estanca.
Una manilla intuitiva sirve para activar el cierre de seguridad de la puerta. Con sólo tirar hacia arriba se abrirá. El retén de seguridad de la puerta no puede abrirse mientras esté encendido el botón azul. La pieza para apoyar la cabeza es suave y se desmonta para las tareas de limpieza. Lo mismo ocurre con la que hay en el rincón para sentarse.
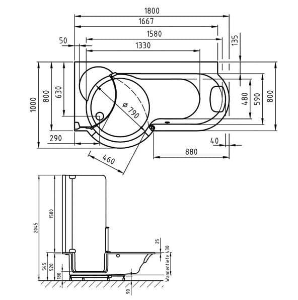
El dibujo de planta del modelo más grande da una idea de lo fácil que resulta instalar esta bañera con ducha. Se puede colocar en la mayoría de cuartos de baño.
Fotos de esta combinación de bañera y ducha


Twinline es una bañera con ducha integrada, que supone una solución innovadora. Es ideal para quienes desean tener bañera y ducha combinadas. Este modelo ya está revolucionando el mercado de las bañeras, así que no tardaremos en ver propuestas similares de otras compañías. Para detalles sobre otros modelos y medidas se puede consultar la web de Artweger.





Estoy interesada en este tipo de bañera pero quisiera encontrar un distribuidor en España, a poder ser en Barcelona. es posible?
Hola Rosa, en la web del fabricante aparece un distribuidor en Barcelona: Carlos Bock, c/Mallorca 56, cb***@****mk.com . Teléfono: 933632353
Me gustaría saber el precio de la bañera-ducha y que medidas tienen? Gracias
Vivo en Guatemala C.A y quiero saber donde puedo comprar este tipo de bañeras y cual seria su precio. por favor necesito saber esa informacion.
Me gustaria saber el precio y donde se venden. Gracias.
Por favor, diganme que empresa lleva la distribución de los productos Artweger.
¿Dónde puedo conseguirla en Madrid? y ¿Podéis facilitarme los precios de las distintas medidas?
Gracias!!
me gustaría saber precios y donde puedo conseguirla en Barcelona
necesito comprar esta bañera con ducha y me gustaria que me dieran mas informacion condiciones de pago etc…
Soy de Granada, me gustaría saber donde puedo conseguir la bañera y ducha a la vez de Artweger y los precios .